客户端
Alternate Text

发私信

关闭
  • anyway2516
  •  
发表新帖
回复本帖
1 到第

【干货】泵车臂架双油缸不同步怎么办?  [复制]

阅读[] 回复[0]

发表于 2025/11/28 13:11:21 来自 浙江宁波

楼主

分享到: qq sina

故障现象  起大臂时两大臂油缸出现不同步,臂架展开与收回时,整个臂架有左右甩动的现象。 
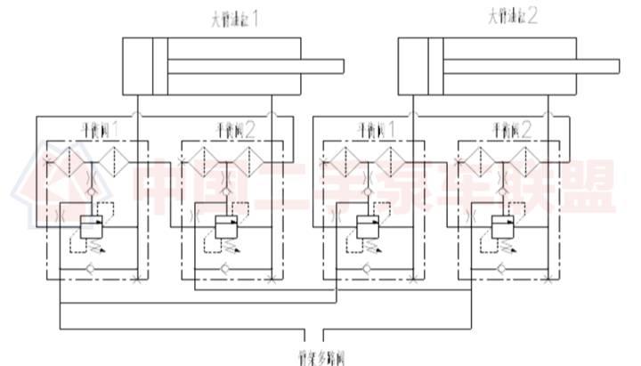
系统分析 大臂的动作由两个并联油缸驱动。如下图,从臂架油泵出来的压力油,经过臂架多路阀、油缸上的平衡阀,驱动大臂油缸动作,当臂架多路阀调试好以后,经过臂架多路阀到臂架油缸的压力油不受负载压力的影响,流量是稳定的,也就是说两个臂架油缸流量的总和只与臂架多路阀的开度有关。而平衡阀的设置则影响油缸本身的动作。
臂架多路阀工作油口接两个大臂油缸的工作油口,中间由三通接头连接,由于两个大臂油缸的流量分配只由一个三通接头完成,所以两个油缸流量的分配受负载影响,正常情况下,两个油缸的负载差别不大,这时P1和P2几乎相等。当P1>P2时,臂架油缸的动作顺序是臂架油缸2先动作,P2压力上升,当P2=P1后,臂架油缸1才开始动作,如此反复。这种现象反映到臂架则是臂架抖动大,不连续。 故障排除
 大臂油缸出现不同步的原因有: 
1. 两根油缸的开启压力不一致,开启压力小的一根先动,导致两油缸不同步。
2. 平衡阀故障,某一边的平衡阀出现内泄,使得另外一根油缸单边受力,导致两油缸伸出的长度相差较大(大概在12-16MM),在起大臂时,较短的油缸先动,使得臂架甩动。
3. 油缸本身出现内泄,出现单边油缸受力,油缸伸出长度不同,最终导致出现臂架甩动现象。
判断步骤 1.观察两油缸的动作情况,在停止对大臂操作时,是否有溜缸的现象,不出现溜缸则只需将 开启较慢的平衡阀开启溢流阀退半圈到一圈即可。 
2.出现有溜缸的现象,则先将溜缸的平衡阀更换同型号的,试车,如再有出现溜缸,则说明大臂油缸密封件损坏,需要更换油缸密封件。
3.更换平衡阀后,不出现溜缸,则说明是平衡阀出现内泄,清洗或更换平衡阀。 公司客户曾有一台国产臂架47米的泵车,在动作大臂时,出现一边甩动,经观察,油缸有溜缸的现象,其中一根油缸比另一根油缸缩短15mm,更换平衡阀后,故障依旧。则需要更换油缸密封件,将溜缸的油缸拆开,发现密封件严重损坏,更换密封件后装上,一切正常。

Alternate Text

-关注 -粉丝

积分:
0
经验:
0

发私信 关注TA

  • {{item.title}}
    {{item.cataName}} {{item.user}} 更新于 {{item.createtime}}
1 到第

精彩推荐

  • {{reversedTitle(item)}}

    {{item.Summary}}

    {{item.Author}} 广告
    {{item.ReplyCount}} {{item.ViewCount}}

使用 高级回复(可批量传图)

快速回复

写好了,发布 Ctrl + Enter 快速发布

意见反馈

返回顶部